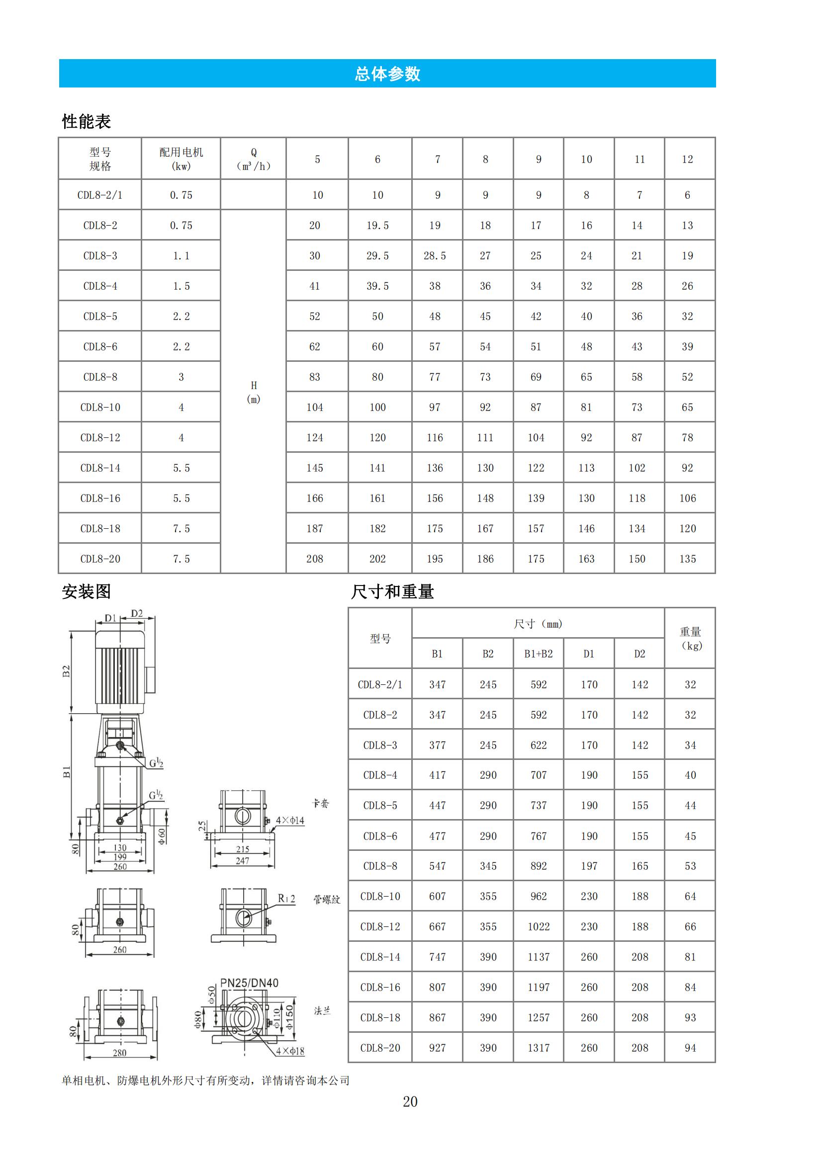
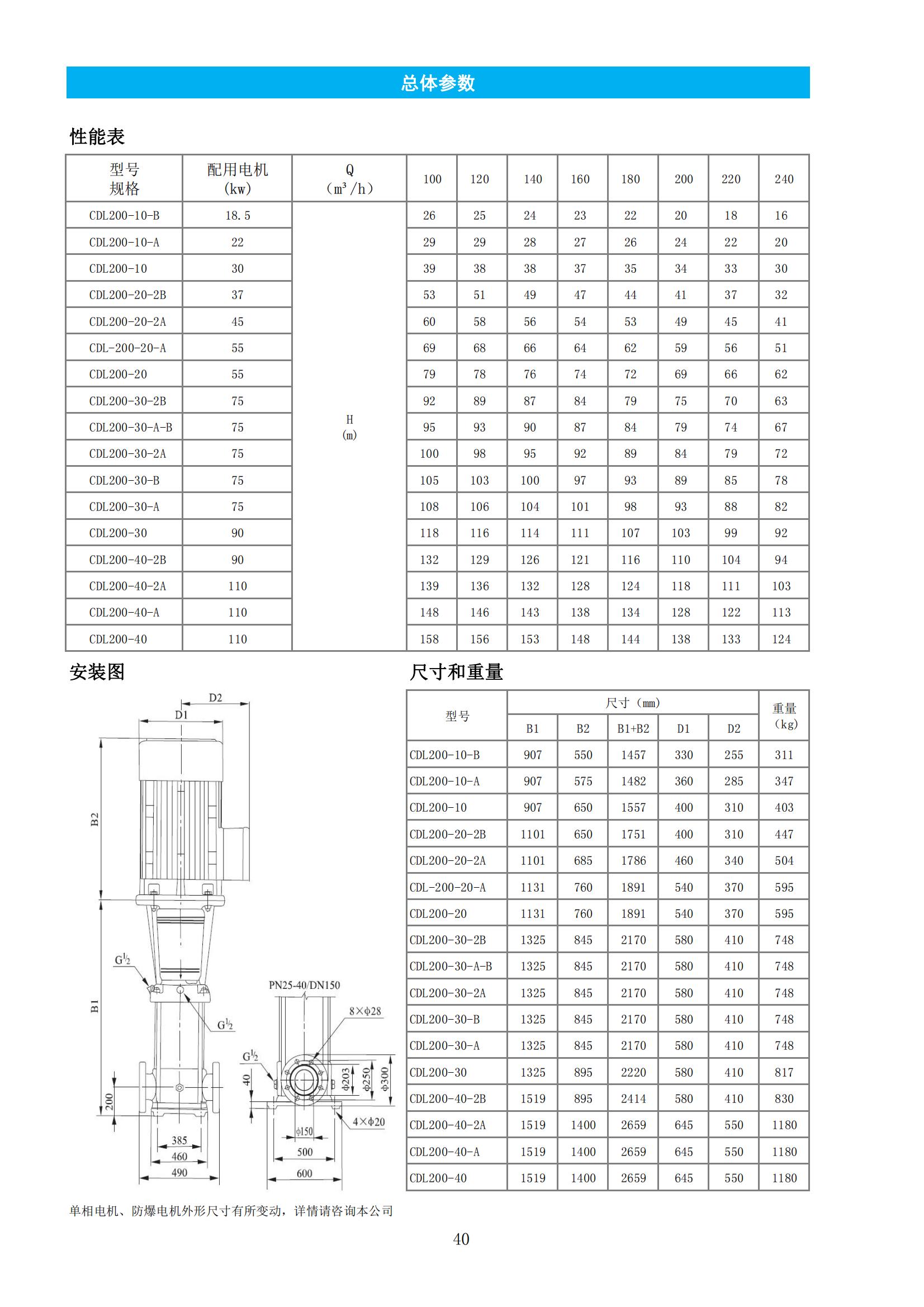
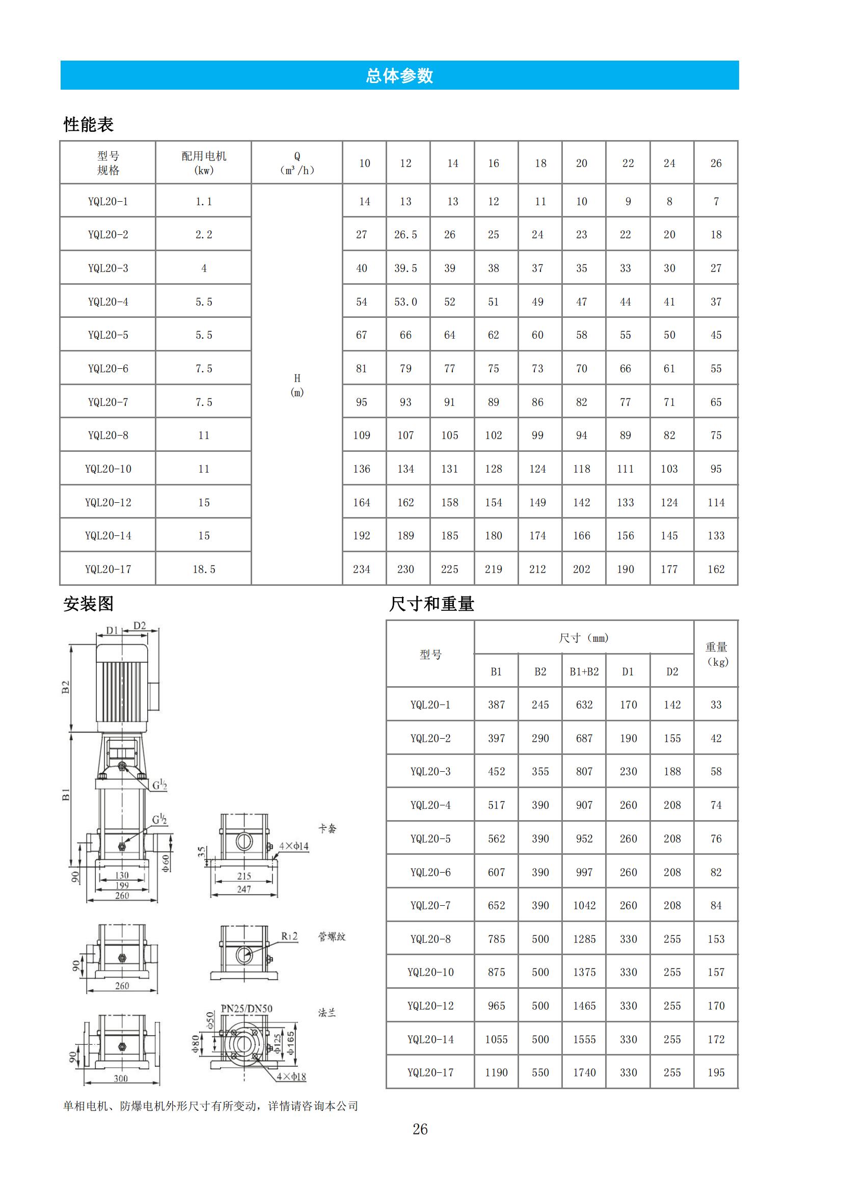
不锈钢立式多级离心泵
Vertical multistage centrifugal pump